基于ECRS优化原则实现全院床位智能化统一管理
2021年6月4日,国务院办公厅发布《关于推动公立医院高质量发展的意见》,旨在推动公立医院高质量发展,更好地满足人民日益增长的医疗卫生服务需求。床位作为医院的基础资源之一,在医院运营管理分析中占据着重要地位,医院床位资源的利用始终是医院关注的核心问题。为入院患者及时分配病床,可以缓解患者的焦虑感受,从而对患者的身心健康产生积极的影响。传统的床位管理模式存在患者入院周期长、全院床位统一管理不到位、人工作业效率低下等问题。不仅影响患者的收治效率,还易造成入院办理现场混乱、沟通不畅矛盾频发的问题。张剑芳的研究结果表明,高质量的床位管理可以最大化地利用公共资源,在提升患者就医体验方面有重要意义。
1 医院床位统一管理下的作业模式现状
清华大学附属北京清华长庚医院(以下简称“我院”)为一所大型三级综合医院,地处人流汇集处,服务范围涵盖本市及周边地区,床位资源较为紧张。因医院内部科室知名度及收治能力强弱不一,且受季节、假期等因素的影响,导致各科室床位松紧不一,故我院自2014年就开始推行全院床位统一管理工作。尽管自推行该项工作以来,我院在提高床位利用率方面取得了一定成效,但随着医疗需求的日益增长和患者对医疗服务质量要求的不断提高,现有的床位统一管理模式在智能化水平和患者体验等方面仍存在改进空间。为进一步升级我院签床作业方式,查阅文献对现阶段各大医院做法进行讨论。赵炜等在广东省某三甲综合医院“全院一张床”床位管理模式实践效果评价研究中提到,该医院要求各科室需提前1天于16:00前开立“明日出院”医嘱,并由住院中心给患者进行床位登记、安排床位及入院前宣教。崔丽艳等开发了一套一站式入院智能床位管理系统,该系统包含床位预约登记、床位安排通知、床位预约查询及状态同步、数据统计分析和预警提示5大功能,但该系统未能充分发挥医患沟通、入院宣教等职能。张卫林等构建了一套床位预约系统,并将择期手术患者床位安排权限放在各病房护士站。虽然该系统兼具患者多渠道线上自主预约、改期,入院宣教信息化推送等功能,但仍存在人为干预床位调配的局限性。与此类似,曾紫伊等构建了一套床位统筹管理系统,该系统具备依据患者病情信息、医生备注的手术时间和患者备注的生理期时间等信息自动匹配患者顺序的功能。但使用该系统时,患者方需要通过住院中心工作人员为其进行备注,增加了沟通成本。周燕玲等对一站式住院服务中心信息化管理系统建设进行探索,设计了一套面向服务中心护士、收费人员、医务处工作人员三方的信息综合平台。该平台将入院检查预约、检验开单、患者查询、床位中心管理、信息通知、数据分析等功能集成在一个平台内。然而,该平台在床位管理方面尚未实现智能化的床位调配,仍依赖人工进行床位分配。综合以上文献分析,虽然各大医院在全院床位统一管理上取得了一定进展,但信息化和智能化水平仍有待提高。借鉴各医院的探索经验,优化我院现有签床作业方式。
2 现有床位管理模式
2.1 签床管理流程
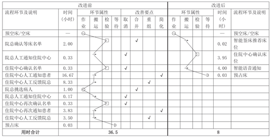
如表1所示,对于空床和预空床,传统签床作业流程首先需由住院总医师(以下简称院总)确认等床患者名单,然后将初筛名单人工通知住院中心工作人员,住院中心确认名单后再打电话通知等床患者,过程中可能遇到患者意外流失等情况,需将确认结果进一步反馈院总。院总需再次确认拟入院患者名单,并交给住院中心工作人员确认,循环往复,直至完成所有空床和预空床的占床工作。

表1 传统签床作业项目及耗时
一般情况下,传统签床方式涉及各项工作11项,累计耗时约36.5小时,且各阶段作业均需人工完成,大量的时间花费在各类沟通协调中。降低等待时间是提高服务质量的有效方法。公立医院绩效考核自2019年正式实施,2023年2月,国家卫生健康委办公厅印发的《国家三级公立医院绩效考核操作手册(2023版)》中从医疗质量、运营效率、持续发展、满意度评价等4个方面对医院进行考核。其中,运营效率是医院精细化管理水平的重要体现。医院床位的配置、利用和规模情况对医院卫生服务功能和整体经济运营有重要决定性影响。蔡瑜指出床位利用有效率受床位规模、医院管理、医护人员行为等因素的影响,如医疗资源配置和利用、住院流程、医师咨询、住院率等都会影响医院的床位利用效率。传统的签床工作模式面临效率低下、床位资源无法最大化利用等不足,已难以满足公立医院精细化管理要求。
2.2 现有签床管理流程问题分析
为对现有签床作业模式进行优化、改进,我院医疗事务处成立签床作业改善项目组。项目组对原有签床流程及模式进行检讨,分析发现在整个流程中住院中心工作人员确认占床患者名单、院总挑选待入院患者、及住院中心反馈院总通知结果为多次重复步骤;对各项作业耗时进行分析,发现住院中心人工通知患者用时最长,首次通知患者所需时长约16.67小时。
项目组通过对现有签床作业模式的深度挖掘,总结突出问题3项。首先,现有模式下的床位调配工作完全依赖于院总,欠缺规范化的床位分配原则。其次,院总与住院中心的信息传递均依赖于人工沟通,面临消息延迟、口头传递易错等问题,致使住院签床工作模式亟需规范化。最后,住院中心与患者的沟通确认工作占据了大量的工作时长,众多人力花费在此,工作效率低下。
2.3 流程优化
项目组对此3大问题逐一克服,将ECRS这一工业工程学程序分析原则应用于住院签床作业流程再造,旨在减少不必要的工作流程,提高业务效率与质量。其中,E(eliminate)为取消、C(combine)为合并,R(rearrange)为重组、S(simplify)为简化。
2.3.1 取消。①取消院总人工通知住院中心入院患者环节。当前,全院住院床位虽由住院中心统一负责调配,但过程中需与院总沟通共同确认床位分配并完成签床作业。然而,院总每日临床工作繁忙,难以规范化、标准化地完成床位确认工作,仅在各个工作间隙完成床位的协调确认工作,影响签床作业的顺利进行。②取消住院中心确认名单环节。住院签床作业由2名签床人员完成,主要工作为通过电话、微信与全院34个专科院总沟通确认拟收入院患者清单。因签床人员与院总沟通方式效率较低,且医院管理要求与专科实际规划存在一定的差异,故住院签床作业沟通成本巨大,住院签床人员无法发挥对全院床位统一管理的监督和协调作用。
2.3.2 合并。由院总多次确认拟入院患者名单费时费力,且院总人工协调确认床位无系统支持,掌握信息不全面,决策单纯靠人工固有思维,存在局限性且不够科学。为优化并合并该流程,项目组联合清华大学工业工程系,采用运筹优化算法,构建床位与预住院患者的智能匹配模型(以下简称智能签床模型)。
为研发该模型,项目组经多轮讨论明确先用本位区床位(调配给该科室的床位),再用顺位区床位(调配给其他科室的床位)的床位整体使用原则。本位区床位分配从医师人力、患者等床因素、科室发展目标和既往床位使用情况共4个维度定期调整床位配比。顺位区床位使用根据专业相近、照护模式相近、楼层相近,院感防控要求一致原则进行调配。并依据医院发展规划在优先保证急重症患者收入院的绿色通道、保证急重症患者的救治及时性的基础上,结合国考市考关键指标,精细化制定门诊择期入院患者签床顺位原则。
2.3.3 重组。在流程改善前,签床工序:先由住院中心工作人员记录通知等床患者后的结果,然后再反馈给院总。该作业流程导致信息传递有先后,存在沟通延迟,缺乏及时反馈等问题。若能重组该流程,让院总和住院中心工作人员同步接收信息,既可保证信息传递的及时性和准确性,同时又能促进院总和住院中心之间的协同作业,提高工作效率。
2.3.4 简化。对住院中心人工通知拟入院患者这一环节进行简化。我院每天入院患者量均值为150~200人(随季节、工作日周期波动较大,同时日随机波动较大),住院通知成功率约为70%,故每天预住院患者电话通知量为200~300人次。人工每通知一名患者用时约5分钟,每天预住院患者电话通知作业所需工时为16~25小时,占用2~3人力,作业效率低下。并且大量重复工作导致电话通知工作人员的工作价值感、工作积极性较低,工作质量难以保证。
为简化此环节,项目组开发了预住院患者智能语音通知工具,功能包含确认住院、取消住院、改期住院以及入院前注意事项通知4大基本功能。此外,系统还具备通知结果自动记录分析功能,便于管理人员进行监控和决策。
2.4 改善后的签床作业流程
如图1所示,改善后的签床作业流程由原来的11步缩减至4步,所需工时由原来的36.5小时缩减至8小时。其中,住院通知业务所需工作时间由20.5小时(两次住院中心人工通知患者用时和为16.67+3.83小时)降低至4小时(智能语音通知用时)。

图1 改善前及改善后的作业流程对比
注:○表示作业;→表示搬运;□表示检验;D表示等待。
3 改善成效
3.1 开发智能签床模型,实现门诊择期入院患者智能推荐
从医院政策层面制定全院床位精细化协调使用机制,明确拟定门诊择期入院等床患者的收入院顺序规则,将人工调配床位的操作逻辑转化为信息化语言,联合清华大学研发智能签床模型,将各项签床原则灌注至信息系统中,实现预住院患者的智能推荐、系统记录,管理制度信息化。
应用智能签床模型,代替院总对拟入院患者名单进行初步确认,并实现医生与签床作业人员双边信息实时同步,院总仅需在不认可该智能推荐时与签床作业人员进行沟通调整,有效帮助医生释放更多的时间、精力用于临床服务。并且系统同步保留智能推荐名单与因特殊情况人为调整后的名单,便于复盘对比,保证了预住院患者收治工作的规范性及签床作业的廉洁性。
3.2 开发智能语音通知工具,实现预住院患者智能高效通知
开发智能语音通知工具,对接34个专科院总,收集各科室入院通知要求,经过多轮实训打磨,依据各科室个性化需求定制通科模版、消化内科模版、等床患者清理模版、日间化疗通知模版、眼科模版以及康复科模版6个话术模版,可覆盖98%的通知业务内容。
此外,该智能语音系统已对接院内HIS系统,可实现双边信息联动。对于智能语音通知成功的如期入院患者,直接在HIS住出院系统患者列表处背景返红,即等同于已成功通知入院,可点击“智能排床”按钮,一键完成智能签床作业;对于改期入院患者,可在HIS系统内自动代入智能语音系统提取到的患者调整后的期望入院时间;对于取消入院的患者,智能语音系统可自动提取患者取消入院的关键词,并在院内HIS系统内依据关键词对照字典映射患者取消原因。
人工通知入院用时约5分钟/人,仅可按照预住院患者通知列表逐一通知。而利用智能语音通知入院,所有拟住院患者均可按照给定的时间参数自主执行外呼任务,可在1分钟内直接批量外呼30万通电话,通知成功率为95.5%。工作人员仅需针对系统反馈的异常数据进行单个人工电话通知,极大地提高了入院通知作业效率。
3.3 质效提升
3.3.1 提升床位使用率,实现床位合理、高效利用。提高床位使用率是深化医疗改革、构建高效医疗体系的重要举措。智能签床模型的落地应用,不仅提高了医院的信息化水平,同时提升了全院普通床位整体使用效率。全院床位使用率由85.2%提升至100.5%,通过对床位的合理分配和高效使用,使医院能够为更多患者提供及时、有效的医疗服务。
3.3.2 提高四级手术及微创手术占比,满足三级公立医院功能定位。将四级手术、微创手术筛选模型嵌入智能签床模型,避免四级手术患者、微创手术患者因等床时间过长而流失。出院手术患者四级手术占比由23.7%提升至26.0%;同期,微创手术患者占比由19.3%提升至24.0%。此外,应用智能签床模型科学化决策辅助床位分配决策,不仅提升了住院签床作业人员的话语权,而且系统设计立足三级医院功能定位,保证了医院管理层目标在现场的有效落地。
3.4 降本增效
3.4.1 提高工作效率,降低人力成本。住院中心构建的智能化床位统一管理模式,有效缩短了床位调配的工作时间。在床位匹配等床患者时,住院中心签床人员只需点击启动签床按钮,系统将在10秒内生成预住院患者推荐名单。住院中心签床作业人力配置由2人力缩减至0.5人力,所需工时由16小时(总用时36.5小时减两次住院中心人工通知患者用时20.5小时)缩短至4小时(总用时8小时减智能语音通知用时4小时),提升了床位分配效率。
3.4.2 降低急诊留观转住院患者平均等候时间,提高急诊科运转效率。床位智能化统一管理的落地实施,有效缩短了患者在急诊留观的等床时间。我院急诊留观转住院平均等候时间由1.03天缩短至0.6天。这一举措不仅帮助患者节约了不必要的等待时间,同时也减少了患者在急诊科的积压现象,提高急诊科的运转效率。
3.5 社会效益
3.5.1 提高了患者满意度。对2022年6月1日~9月30日(改善前)所有非特需择期住院手术患者和2023年6月1日~9月30日(改善后)所有非特需择期住院手术患者分别进行满意度测评,并对改善前、后的患者满意度均值进行假设检验。假设检验结果表明,P值为6.669×10-9,远小于显著性水平α(0.05),故拒绝原假设,保留备择假设,即改善后的患者满意度均值显著高于改善前的患者满意度均值。
项目实施后,患者整体满意度有显著提升。改善后,患者满意度得分由原来的4.36分提升至4.83分,患者满意度得分提升10.7%,改善后的满意度得分已接近满分(5分)。
3.5.2 推广交流。我院作为北京市医院管理中心2023年“全院一张床”模式示范单位,参与了“全院一张床”试点作业的政策制定,起草《试点作业工作指引》汇编。以指导专家的身份对14家“全院一张床”试点作业进行经验分享,同时接待30余家医院的现场参观学习。
4 结语
本研究基于ECRS原则,借助信息化手段对住院服务流程进行合理优化,通过消除不必要的流程、合并重复的步骤、重组资源配置和简化操作流程,使医院能够在降低人力成本的情况下,不仅实现了床位资源的高效、高质利用,还在患者满意度方面得到了显著提升。这一优化方案旨在为其他医疗机构提供宝贵的经验和参考。未来,医院将继续探索和应用先进的管理理念和技术,不断完善医疗服务体系,努力为患者提供更优质、高效的医疗服务。
来源:《中国医院》杂志2025年第1期
作者:张燕、石宜径、李天烨、聂广孟
单位:清华大学附属北京清华长庚医院
(参考文献略)

首 页